如何減少PCB設計時的諧波失真
發表時間:2021-02-17 10:08:33 人氣:2456
實際上印刷線路板(PCB)是由電氣線性材料構成的,也即其阻抗應是恒定的。那么,PCB為什么會將非線性引入信號內呢?答案在于:相對于電流流過的地方來說,PCB布局是“空間非線性”的。
放大器是從這個電源還是從另外一個電源獲取電流,取決于加負載上的信號瞬間極性。電流從電源流出,經過旁路電容,通過放大器進入負載。然后,電流從負載接地端(或PCB輸出連接器的屏蔽)回到地平面,經過旁路電容,回到最初提供該電流的電源。
電流流過阻抗最小路徑的概念是不正確的。電流在全部不同阻抗路徑的多少與其電導率成比例。在一個地平面,常常有不止一個大比例地電流流經的低阻抗路徑:一個路徑直接連至旁路電容;另一個在達到旁路電容前,對輸入電阻形成激勵。圖1示意了這兩個路徑。地回流電流才是真正引發問題的原因。

當旁路電容放在PCB的不同位置時,地電流通過不同路徑流至各自的旁路電容,即“空間非線性”所代表的含義。若地電流某一極性的分量的很大部分流過輸入電路的地,則只擾動信號的這一極性的分量電壓。而若地電流的另一極性并沒施擾,則輸入信號電壓以一種非線性方式發生變化。當一個極性分量發生改變而另一個極性沒改動時,就會產生失真,并表現為輸出信號的二次諧波失真。圖2以夸張的形式顯示這種失真效果。

當只有正弦波的一個極性分量受到擾動時,產生的波形就不再是正弦波。用一個100 Ω負載模擬理想放大器,使負載電流通過一個1 Ω電阻,僅在信號的一個極性上耦合輸入地電壓,則得到圖3所示的結果。傅立葉變換顯示,失真波形幾乎全是-68dBc處的二次諧波。當頻率很高時,很容易在PCB上生成這種程度的耦合,它無需借助太多PCB特殊的非線性效應,就可毀掉放大器優異的防失真特性。當單個運算放大器的輸出由于地電流路徑而失真時,通過重新安排旁路回路可調節地電流流動,并保持與輸入器件的距離,如圖4所示。

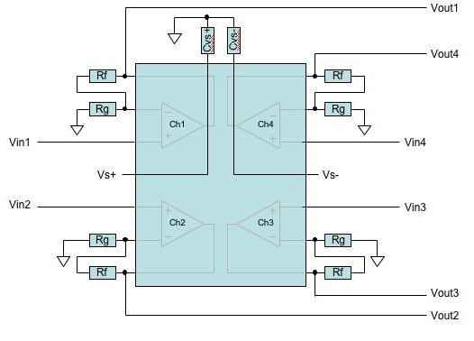
多放大器芯片
多放大器芯片(兩個、三個或者四個放大器)的問題更加復雜,因為它無法使旁路電容的地連接遠離全部輸入端。對四放大器來說更是如此。四放大器芯片的每一邊都有輸入端,所以沒有空間放置可減輕對輸入通道擾動的旁路電路。

圖5給出了四放大器布局的簡單方法。大多器件直接連至四放大器管腳。一個電源的地電流可擾動另一個通道電源的輸入地電壓和地電流,從而導致失真。例如,四放大器通道1上的(+Vs)旁路電容可直接放在臨近其輸入的地方;而(-Vs)旁路電容可放在封裝的另一側。(+Vs)地電流可擾動通道1,而(-Vs)地電流則可能不會。

為避免這種問題,可讓地電流擾動輸入,但讓PCB電流以一種空間線性方式流動。為實現此目的,可以采用下方式在PCB上布局旁路電容:使(+Vs)和(–Vs) 地電流流經同一路徑。若正/負電流對輸入信號的擾動相等,則將不會產生失真。因此,使兩個旁路電容緊挨著排列,以使它們共享一個接地點。因為地電流的兩個極性分量來自同一個點(輸出連接器屏蔽或負載地),并都回流至同一個點(旁路電容的公共地連接),所以正/負電流都流經同一路徑。若一個通道的輸入電阻被(+Vs)電流擾動,則(–Vs)電流對其有相同影響。因為無論極性是怎樣的,產生的擾動都相同,所以不會產生失真,但將使該通道增益發生小的變化,如圖6所示。

為驗證如上推斷,采用兩個不同的PCB布局:簡易布局(圖5)和低失真布局(圖6)。采用飛兆半導體的FHP3450四運算放大器所產生的失真如表1所示,FHP3450的典型帶寬是210MHz,斜率是1100V/us,輸入偏置電流是100nA,每通道的工作電流是3.6mA。從表1可看出,失真越嚴重的通道,改進的效果越好,從而使4個通道在性能上接近相等。

若在PCB上沒有一個理想的四放大器,則測量單一放大器通道的效應會很困難。顯然,一個給定的放大器通道不僅擾動其本身輸入,還會擾動其它通道的輸入。地電流流經全部不同的通道輸入,且產生不同效果,但又都受每個輸出的影響,這種影響是可測量的。
表2給出了當只驅動一個通道時,在其它未受驅動的通道上測量到的諧波。未驅動通道在基本頻率上顯示出一個小信號(串擾),但在沒有任何顯著基本信號的情況下,也產生由地電流直接引入的失真。圖6的低失真布局顯示:因為幾乎消除了地電流效應,二次諧波和總體諧波失真(THD)特性有很大改進。

本文小結
簡單地說,在PCB上,地回流電流流經不同的旁路電容(用于不同的電源)及電源本身,其大小與其電導率成比例。高頻信號電流流回小旁路電容。低頻電流(如音頻信號的電流)可能主要流經更大的旁路電容。即使頻率更低的電流也可能“漠視”全部旁路電容的存在,直接流回電源引線。具體的應用將決定哪個電流路徑最關鍵。幸運的是,通過采用公共接地點及輸出側的地旁路電容,可以容易地保護全部地電流路徑。
高頻PCB布局的金科玉律是將高頻旁路電容盡可能靠近封裝的電源管腳,但比較圖5和圖6可以看出,為改進失真特性而修改該規則不會帶來太大改變。改進失真特性是以增加約0.15英寸長的高頻旁路電容走線為代價的,但這對FHP3450的AC響應性能影響很小。PCB布局對充分發揮一款高質量放大器的性能很重要,這里討論的問題絕非僅限于高頻放大器。類似音頻等頻率更低的信號對失真的要求要嚴格得多。地電流效應在低頻下要小一些,但若要求相應改進所需的失真指標,地電流仍可能是一個重要的問題。
相關咨詢
工廠展示
聯系我們
成都子程新輝電子設備有限公司
聯系人:文先生
手機:13183865499
QQ:1977780637
地址:成都市金牛區星輝西路2號附1號(臺誼民生大廈)407號