洞洞板”(萬用電路板)的選擇和焊接使用技巧
發表時間:2020-10-03 11:32:34 人氣:29809
一、萬用電路板選擇和焊接
萬用電路板俗稱“洞洞板”。相比專業的PCB制版,洞洞板(萬用電路板)具有以下優勢:使用門檻低,成本低廉,使用方便,擴展靈活。比如在大學生電子設計競賽中,作品通常需要在幾天時間內爭分奪秒地完成,所以大多使用洞洞板。
洞洞板的選擇
目前市場上出售的洞洞板主要有兩種,一種焊盤各自獨立(圖1,以下簡稱單孔板),另一種是多個焊盤連在一起(圖2,以下簡稱連孔板),單孔板又分為單面板和雙面板兩種。根據筆者的經驗,單孔板較適合數字電路和單片機電路,連孔板則更適合模擬電路和分立電路。因為數字電路和單片機電路以芯片為主,電路較規則;而模擬電路和分立電路往往較不規則。分立元件的引腳常常需要連接多根線,這時如果有多個焊盤連在一起就要方便一些。當然這并不絕對,每個人的喜好不一樣,選擇自己用起來比較順手的就OK了。

圖1 單孔板

圖2 連孔板
另外,讀者需要區分兩種不同材質的洞洞板:銅板和錫板。銅板的焊盤是裸露的銅,呈現金黃色,平時應該用紙包好保存,以防止焊盤氧化,萬一焊盤氧化了(焊盤失去光澤、不好上錫),可以用棉棒蘸酒精清洗或用橡皮擦拭。焊盤表面鍍了一層錫的是錫板,焊盤呈現銀白色,錫板的基板材質要比銅板堅硬,不易變形。他們的價格也有區別,以大小為100 cm2(10cm×10cm)的單面板為例:銅板價格3~4元,錫板7~8元,一般每平方厘米不超過8分錢。
焊接前的準備
在焊接洞洞板之前需要準備足夠的細導線(圖3)用于走線。細導線分為單股的和多股的(圖4):單股硬導線可將其彎折成固定形狀,剝皮之后還可以當作跳線使用;多股細導線質地柔軟,焊接后顯得較為雜亂。

圖3 細導線

圖4 多股和單股細導線
洞洞板具有焊盤緊密等特點,這就要求我們的烙鐵頭有較高的精度,建議使用功率30W左右的尖頭電烙鐵。同樣,焊錫絲也不能太粗,建議選擇線徑為0.5~0.6mm的。洞洞板的焊接方法
對于元器件在洞洞板上的布局,大多數人習慣“順藤摸瓜”,就是以芯片等關鍵器件為中心,其他元器件見縫插針的方法。這種方法是邊焊接邊規劃,無序中體現著有序,效率較高。但由于初學者缺乏經驗,所以不太適合用這種方法,初學者可以先在紙上做好初步的布局,然后用鉛筆畫在洞洞板正面(元件面)上,繼而也可以將走線規劃出來,方便自己焊接。
洞洞板的焊接方法,一般是利用前面提到的細導線進行飛線連接,飛線連接沒有太多的技巧,但應盡量做到水平和豎直走線,整潔清晰(圖5)。現在網上流行一種方法叫錫接走線法,如圖6所示,工藝不錯,性能也穩定,但比較浪費錫。純粹的錫接走線難度較高,受到錫絲、個人焊接工藝等各方面的影響。如果先拉一根細銅絲,再隨著細銅絲進行拖焊,則簡單許多。洞洞板的焊接方法是很靈活的,因人而異,找到適合自己的方法即可。

圖5 常用的飛線連接法
洞洞板的焊接技巧
很多初學者焊的板子很不穩定,容易短路或斷路。除了布局不夠合理和焊工不良等因素外,缺乏技巧是造成這些問題的重要原因之一。掌握一些技巧可以使電路反映到實物硬件的復雜程度大大降低,減少飛線的數量,讓電路更加穩定。下面就筆者的經驗談談洞洞板的焊接技巧。
1. 初步確定電源、地線的布局
電源貫穿電路始終,合理的電源布局對簡化電路起著十分關鍵的作用。某些洞洞板布置有貫穿整塊板子的銅箔,應將其用作電源線和地線;如果無此類銅箔,你也需要對電源線、地線的布局有個初步的規劃。
2. 善于利用元器件的引腳
洞洞板的焊接需要大量的跨接、跳線等,不要急于剪斷元器件多余的引腳,有時候直接跨接到周圍待連接的元器件引腳上會事半功倍。另外,本著節約材料的目的,可以把剪斷的元器件引腳收集起來作為跳線用材料。
3. 善于設置跳線
特別要強調這一點,多設置跳線不僅可以簡化連線,而且要美觀得多,見圖7。

圖6 錫接走線法

圖7 多使用跳線
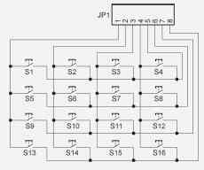
4. 善于利用元器件自身的結構圖8是矩陣鍵盤電路,圖9是筆者焊接的矩陣鍵盤。這是一個利用了元器件自身結構的典型例子:圖9中的輕觸式按鍵有4只腳,其中兩兩相通,我們可以利用這一特點來簡化連線,電氣相通的兩只腳充當了跳線。讀者可以對照圖10好好體會一下。

圖8 矩陣鍵盤電路

圖9 矩陣鍵盤
5. 善于利用排針筆者喜歡使用排針,因為排針有許多靈活的用法。比如兩塊板子相連,就可以用排針和排座。排針既起到了兩塊板子間的機械連接作用,又起到電氣連接的作用。這一點借鑒了電腦的板卡連接方法。
6. 在需要的時候隔斷銅箔
在使用連孔板的時候,為了充分利用空間,必要時可用小刀割斷某處銅箔,這樣就可以在有限的空間放置更多的元器件。
7. 充分利用雙面板
雙面板比較昂貴,既然選擇它就應該充分利用它。雙面板的每一個焊盤都可以當作過孔,靈活實現正反面電氣連接。
8. 充分利用板上的空間
芯片座里面隱藏元件,既美觀又能保護元件(圖11)。

圖10 矩陣鍵盤背面

圖11 芯片座內隱藏元件
“洞洞板”給我們帶來了很大的方便,或許它已成為你電子實驗中不可缺少的一部分。參考筆者提供的這些小經驗、多動手實踐,你將會體會到更好、更適合自己的使用方法和技巧。
相關咨詢
工廠展示
聯系我們
成都子程新輝電子設備有限公司
聯系人:文先生
手機:13183865499
QQ:1977780637
地址:成都市金牛區星輝西路2號附1號(臺誼民生大廈)407號