語音芯片電路圖
發表時間:2020-10-27 10:34:51 人氣:4230
語音芯片使用越來越廣泛,很多產品現在都有應用語音功能,這就是語音芯片的功勞,隨著時代的發展,越來越多的語音芯片被研發、生產出來應用到市場上,融入到各行各業的產品中,也讓語音芯片衍生出了很多種類,例如放音芯片,錄音芯片,MP3語音芯片,音樂芯片,音效芯片,語音識別芯片等等。那么多的語音芯片,那他們的電路圖是怎樣的呢,下面帶你淺進語音芯片電路圖的世界,看它們是長什么樣的。
OTP語音芯片,以WTN6語音芯片為例:
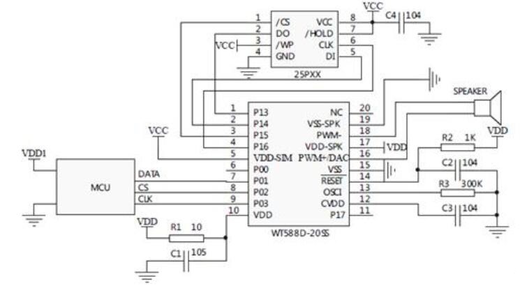
可重復燒寫語音芯片,以熱銷的WT588D語音芯片,這款經典產品為例子:
錄音芯片,我們讓WTR050錄音芯片出下場子:
其實這只是語音芯片電路圖世界的一角,但也是這行業的其中翹楚, 以上案例因為型號里面是一個大類,里面也分小類,具體型號的電路圖是不同的。
此文關鍵字:
電路圖
工廠展示


聯系我們
成都子程新輝電子設備有限公司
聯系人:文先生
手機:13183865499
QQ:1977780637
地址:成都市金牛區星輝西路2號附1號(臺誼民生大廈)407號
