書上永遠不會告訴你的一些接插件知識
發表時間:2020-09-24 13:13:26 人氣:5009
工程師畫PCB的時候,難免會遇到一些連接器件,在中國,很多時候,這些連接器件都是山寨廠家做的,因此很難像國外那樣,能向廠家索要機械尺寸文
檔,所以很多時候,都需要手拿游標卡尺去量。這樣就造成,一來我們不知道連接器的管腳接線,很容易連接錯誤;二來自己測量的,總有誤差,最后畫出來的
PCB接插件按不上去。接插件的標準化與否和尺寸標準圖是否完全,我看這就是中國與國外的差距之一。不單在芯片方面,而是在這些細節方面我們做得也不好。
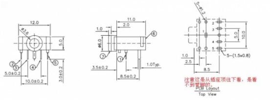
耳機插座尺寸
這是我們在電子市場上買到的3.5mm立體聲耳機插座。它的機械尺寸如下:
從耳機插座底面的管腳旁邊會有①②③④⑤的編號,對應尺寸圖。
一般來說耳機采用3段式的插頭,插頭直徑一般有3.5mm和2.5mm,不同直徑的插頭對應不同直徑孔的耳機插座,所以“公”和“母”要對應J
根據三段式的耳機插頭的接線,就可以確定耳機插座的連接:
1腳接地,2腳接右聲道(Right),5腳接左聲道(Left)。在耳機接頭沒插入插座的時候,2腳和3腳,4腳和5腳是接在一起的,而一旦接頭插入插座
的時候,2腳和3腳,4腳和5腳會分開。所以從系統可靠性的角度來說,3腳和4腳應該接地,這樣的話,耳機沒插的時候,左右聲道輸入接地,系統輸入為0。
很多時候,我們都會把不用的3腳4腳懸空,那么2腳和5腳也是懸空的,這樣帶來的風險就是,
萬一會從外界串入一個大電流,會從2腳和5腳傳到板子上,從而會燒毀芯片。
耳機接頭除了有三段式之外,還有四段式,四段式比三段式加多了一個話筒/接聽鍵,國標(大部分手機)從頭到尾(尾巴是有線那邊)的定義是:左聲道、右聲道、MIC、地。要注意iphone的四段式耳機接頭的順序是不一樣的,從頭(尖)到尾是左聲道、右聲道、地、MIC。
單聲道耳機插座也可以用作輸入。要注意的是A為地,B應該接輸入端,而F端應該接地。在沒有耳機接頭接入的時候,B腳和F腳是連在一起的,這樣保證,輸入接地,輸入信號為0。當有耳機接頭接入的時候,B腳和F腳分離,F腳與A接連在一起。
相關咨詢
工廠展示


聯系我們
成都子程新輝電子設備有限公司
聯系人:文先生
手機:13183865499
QQ:1977780637
地址:成都市金牛區星輝西路2號附1號(臺誼民生大廈)407號
